|
| |
 |
| |
無錫賽文傳動科技有限公司
電話:0510-85187479
傳真:0510-68560879
范經理:13961710084
網址:www.henghaitian.com
郵箱:sales@wxswcd.com
地址:無錫市濱湖區雙新工業園
|
| |
|
|
|
FCWK蝸輪蝸桿減速機 |
|
| |
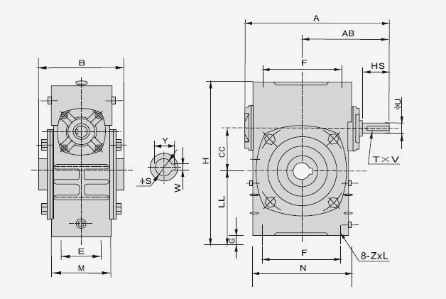
軸指向表示(Shaft Directio)
型號
SIZE
|
減速比
Ratio
|
A
|
AB
|
B
|
N
|
M
|
F
|
E
|
CC
|
LL
|
H
|
Z×L
|
入力軸
input thaft
|
出力軸
output thaft
|
重 量
KG
|
|
HS
|
U
|
T×V
|
S
|
W×Y
|
|
40
|
1/10
1/15
1/20
1/25
1/30
1/40
1/50
1/60
|
149
|
89
|
90
|
95
|
61
|
78
|
42
|
40
|
50
|
125
|
M6×12
|
25
|
12
|
4×3
|
16
|
5×18.3
|
4
|
|
50
|
175
|
107
|
110
|
111
|
68
|
85
|
50
|
50
|
65
|
150
|
M6×18
|
30
|
12
|
4×2.5
|
20
|
6×22.8
|
6.5
|
|
60
|
198
|
122
|
120
|
127
|
76
|
105
|
55
|
60
|
75
|
177
|
M8×20
|
40
|
15
|
5×3
|
25
|
8×28.3
|
9
|
|
70
|
231
|
140
|
132
|
152
|
86
|
125
|
65
|
70
|
90
|
215
|
M10×25
|
40
|
18
|
6×3.5
|
30
|
8×33.3
|
13
|
|
80
|
261
|
160
|
150
|
169
|
102
|
140
|
70
|
80
|
105
|
250
|
M12×28
|
50
|
22
|
6×3.5
|
35
|
10×38.3
|
21
|
|
100
|
322
|
190
|
174
|
216
|
117
|
180
|
90
|
100
|
130
|
310
|
M12×30
|
50
|
25
|
8×4
|
40
|
12×43.3
|
34
|
|
120
|
381
|
229
|
180
|
258
|
124
|
220
|
100
|
120
|
155
|
370
|
M14×32
|
65
|
30
|
8×4
|
45
|
14×48.8
|
51
|
|
135
|
433
|
260
|
214
|
296
|
147
|
260
|
110
|
135
|
185
|
425
|
M16×35
|
75
|
35
|
10×5
|
60
|
18×64.4
|
78
|
|
155
|
504
|
302
|
256
|
345
|
185
|
280
|
120
|
155
|
203
|
461
|
M16×35
|
85
|
40
|
12×5
|
70
|
20×74.9
|
102
|
|
175
|
545
|
325
|
282
|
374
|
192
|
320
|
140
|
175
|
223
|
521
|
M16×35
|
85
|
45
|
14×5.5
|
80
|
22×85.4
|
142
|
|
200
|
587
|
350
|
324
|
412
|
230
|
360
|
150
|
200
|
245
|
575
|
M20×36
|
95
|
50
|
14×5.5
|
85
|
22×90.4
|
202
|
|
250
|
705
|
420
|
400
|
500
|
285
|
420
|
190
|
250
|
300
|
700
|
M24×42
|
110
|
60
|
18×7
|
110
|
28×116.4
|
340
|
|
|
|