|
| |
 |
| |
無錫賽文傳動科技有限公司
電話:0510-85187479
傳真:0510-68560879
范經理:13961710084
網址:www.henghaitian.com
郵箱:sales@wxswcd.com
地址:無錫市濱湖區(qū)雙新工業(yè)園
|
| |
|
|
|
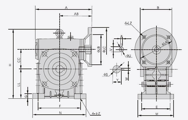
FCDKS蝸輪蝸桿減速機 |
|
| |
軸指向表示Shaft Directio
|
型號Size
|
入功率KW
|
減速比Ratio
|
A
|
AB
|
B
|
CC
|
H
|
LL
|
M
|
N
|
E
|
F
|
G
|
Z
|
電機法蘭Flange
|
人力孔
Input Hole
|
出力軸
Output shaft
|
重量
|
|
LA
|
LB
|
LC
|
LE
|
LZ
|
Q
|
U
|
T×V
|
S
|
W×Y
|
|
50
|
0.18
|
1/10
1/15
1/20
1/30
1/40
1/50
1/60
|
151
|
83
|
110
|
50
|
180
|
80
|
120
|
140
|
95
|
110
|
15
|
12
|
115
|
95
|
140
|
4
|
M8
|
31
|
11
|
4×12.8
|
20
|
6×22.8
|
7.5
|
|
60
|
0.37
|
167
|
109
|
120
|
60
|
207
|
90
|
130
|
150
|
105
|
120
|
20
|
12
|
130
|
110
|
160
|
4
|
M8
|
33
|
14
|
5×16.3
|
25
|
8×28.3
|
11.5
|
|
70
|
0.37
|
200
|
111
|
132
|
70
|
238
|
105
|
150
|
190
|
115
|
150
|
20
|
15
|
130
|
110
|
160
|
4
|
M8
|
40
|
14
|
5×16.3
|
30
|
8×33.3
|
15.5
|
|
0.75
|
165
|
130
|
200
|
M10
|
42
|
19
|
6×21.8
|
|
80
|
0.75
|
225
|
125
|
150
|
80
|
273
|
120
|
170
|
220
|
135
|
180
|
20
|
15
|
165
|
130
|
200
|
4.5
|
M10
|
48
|
19
|
6×21.8
|
35
|
10×38.3
|
24
|
|
1.5
|
52
|
24
|
8×27.3
|
|
100
|
1.5
|
280
|
148
|
174
|
100
|
334
|
150
|
190
|
270
|
155
|
220
|
25
|
15
|
165
|
130
|
200
|
4.5
|
M10
|
52
|
24
|
8×27.3
|
40
|
12×43.3
|
39
|
|
120
|
2.2
|
333
|
181
|
180
|
120
|
423
|
180
|
230
|
320
|
180
|
260
|
30
|
18
|
215
|
180
|
250
|
5
|
M12
|
63
|
28
|
8×31.3
|
45
|
14×48.8
|
57
|
|
3.0
|
|
135
|
3.0
|
375
|
202
|
214
|
135
|
482
|
215
|
250
|
350
|
200
|
290
|
30
|
18
|
215
|
180
|
250
|
5
|
M12
|
63
|
28
|
8×31.3
|
60
|
18×64.4
|
85
|
|
4.0
|
|
155
|
5.5
|
448
|
247
|
256
|
155
|
541
|
235
|
280
|
390
|
220
|
320
|
35
|
21
|
265
|
230
|
300
|
5
|
M12
|
85
|
38
|
10×41.3
|
70
|
20×74.9
|
110
|
|
175
|
5.5
|
481
|
262
|
282
|
175
|
600
|
260
|
310
|
430
|
250
|
350
|
40
|
21
|
265
|
230
|
300
|
5
|
M12
|
83
|
38
|
10×41.3
|
80
|
22×85.4
|
152
|
|
7.5
|
|
200
|
11.0
|
543
|
285
|
324
|
200
|
677
|
290
|
360
|
480
|
290
|
390
|
40
|
24
|
300
|
250
|
350
|
6
|
M16
|
114
|
42
|
12×45.3
|
85
|
22×90.4
|
216
|
|
|
|